Hyppää sisältöön
Harley Davidson Turku
HARLEY-DAVIDSON TURKU
010 3273 180
V-Twin City Loimaa
V-TWIN CITY LOIMAA
020 7436 820
V-TWIN CITY OY
V-TWIN CITY OY
HISTORIA
CFMOTO
ROYAL ENFIELD
PYÖRÄMYYNTI
2025 H-D MALLIT
2024 H-D MALLIT
SERIAL 1 SÄHKÖPOLKUPYÖRÄT
VAIHTOPYÖRÄT TURKU
VAIHTOPYÖRÄT LOIMAA
MP-VUOKRAUS
HUOLTO
VERKKOKAUPPA
VARAOSAT
VARAOSASELAIN
KÄYTETYT OSAT
H.O.G
AJANKOHTAISTA
YHTEYSTIEDOT
V-TWIN CITY LOIMAA
HARLEY-DAVIDSON TURKU
Varaosat
Vaatteet
Varusteet
Harley-Davidson oheistuotteet
Ale
2025 H-D Mallit
Etsi
Täsmähaku
open
Avaa käyttäjävalikko
Kirjaudu sisään
Ostoskori
0
Harley Davidson Turku
Etsi
Täsmähaku
Avaa käyttäjävalikko
Kirjaudu sisään
Ostoskori
0
open
Tuotteet
V-Twin City Oy
Varaosat
Motorcycle Storehouse
10. A) Moottori -alapää
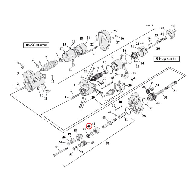
926177
EASTERN RETAINING RING SHAFT STARTER
Toimitusaika:
2-7 arkipäivää.
Loimaa
Turku
0.39 €
0.31 € alv. 0%
Lisää koriin
Nopea toimitus paketeille ympäri Suomen
Monipuolinen sekä turvallinen maksutapahtuma
Vankka kokemus ajoneuvoista
Palveleva konetalo Loimaalla ja Turussa
Kirjaudu sisään
HUOM! Pyydämme vanhaan verkkokauppaamme rekisteröityneitä nollaamaan salasananne
tästä linkistä
, jonka jälkeen tunnuksesi ja tilaushistoriasi löytyvät myös uudesta verkkokaupastamme.
Käyttäjätunnus
Salasana
Luo uusi tunnus
Unohditko salasanasi?
Sulje